Subaru Enthusiasts Car Club of the Sierras  

Go Back   Subaru Enthusiasts Car Club of the Sierras > Off Topic Forums > Off Topic Chat

Off Topic Chat Talk about life in general...

Reply
 
Thread Tools
Old 2007-02-18, 03:11 PM   #1
Kevin M
EJ22T
 
Kevin M's Avatar
 
Join Date: Sep 2003
Location: Reno
Posts: 9,445
 
Car: '93/'01 GF6, mostly red
Class: 19 FP
Default Need electronics help!

So, I'm trying to wire up my high beam solenoids and I'm running into several issues. I need to design a new wiring harness from scratch that will make myheadlight circuits work completely different than they currently do. I've done 3 different simple relay circuits on my cars, but this is more complicated and I could use an assist from someone who actually knows a little bit about circuit design. I'm heading back home to peruse some stuff I've downloaded here and get started on figuring it out, so if any of you are willing to help me out, call my cell at 707-430-3430. I have no internet access at home until wednesday.
__________________
FWD is the new AWD
Kevin M is offline   Reply With Quote
Old 2007-02-21, 09:36 AM   #2
Dean
Seņor Cheap Bastarde
 
Dean's Avatar
 
Real Name: Dean
Join Date: May 2003
Location: $99 Tire Store
Posts: 9,294
 
Car: $.04 STI
Class: Fast,Cheap & Reliable=STI
 
Deal, did somebody say Deal? Oh, Dean, yeah that's me.
Default

Might be able to help, but won't be back up until later this afternoon...
__________________
I am a Commodore PET --- Now get off my lawn you kids...
Dean is offline   Reply With Quote
Old 2007-02-21, 10:32 AM   #3
Kevin M
EJ22T
 
Kevin M's Avatar
 
Join Date: Sep 2003
Location: Reno
Posts: 9,445
 
Car: '93/'01 GF6, mostly red
Class: 19 FP
Default

I think I solved it last night burning the midnight oil. I'll fire up the MSP skillz later and post my schematic.
__________________
FWD is the new AWD
Kevin M is offline   Reply With Quote
Old 2007-02-21, 02:32 PM   #4
Kevin M
EJ22T
 
Kevin M's Avatar
 
Join Date: Sep 2003
Location: Reno
Posts: 9,445
 
Car: '93/'01 GF6, mostly red
Class: 19 FP
Default

Okay, here's what I came up with.




I need one powered circuit that runs just the ballasts for the projectors, and another circuit that runs the ballasts as well as activateing the solenoids that move the shields in the projectors, and both circuits have to be able to be powered simultaneously without conflicts.

Also, I'm not sure if parallel or series is better for the solenoids.
Attached Images
File Type: bmp headlightschematic.bmp (1.60 MB, 314 views)
__________________
FWD is the new AWD
Kevin M is offline   Reply With Quote
Old 2007-02-21, 02:34 PM   #5
Kevin M
EJ22T
 
Kevin M's Avatar
 
Join Date: Sep 2003
Location: Reno
Posts: 9,445
 
Car: '93/'01 GF6, mostly red
Class: 19 FP
Default

Okay, it took all of like 3 seconds after posting to see mistakes I didn't see before. The switched ground system from the existing headlight harness isn't represented very well, but basically it's just a hot lead direct from the fusebox and a switch on the ground side for High and Low beams. I can post the .pdf of the headlight circuit tonight if anybody needs it.
__________________
FWD is the new AWD
Kevin M is offline   Reply With Quote
Old 2007-02-21, 02:38 PM   #6
sperry
The Doink
 
sperry's Avatar
 
Real Name: Scott
Join Date: Nov 2002
Location: Portland, OR
Posts: 20,335
 
Car: '09 OBXT, '02 WRX, '96 Miata
Class: PDX/TT-6
 
The way out is through
Default

I didn't pay super close attention to the diagram, but from what I see, I'd be worried about a failure of one of the solenoids taking out both lights. Headlights are a safety device, so you need redundancy... if any one part fails you want to make sure it only kills one light so you're not stranded w/o lighting.
__________________
Is you is, or is you ain't, my con-stit-u-ints?
sperry is offline   Reply With Quote
Old 2007-02-21, 02:42 PM   #7
Kevin M
EJ22T
 
Kevin M's Avatar
 
Join Date: Sep 2003
Location: Reno
Posts: 9,445
 
Car: '93/'01 GF6, mostly red
Class: 19 FP
Default

You mean a relay failure? If one of the high beam solenoids went out, it looks like the low beam circuit would still operate, but if the main relay went out, then yeah, no more headlights. I'll be sure to carry a spare. And I will see if I can isolate the wo sides to the two individual headlight fuses instead of only using one for the relay and a seperate new fuse for the ballast power supply.
__________________
FWD is the new AWD
Kevin M is offline   Reply With Quote
Old 2007-02-21, 03:29 PM   #8
sperry
The Doink
 
sperry's Avatar
 
Real Name: Scott
Join Date: Nov 2002
Location: Portland, OR
Posts: 20,335
 
Car: '09 OBXT, '02 WRX, '96 Miata
Class: PDX/TT-6
 
The way out is through
Default

I think I've got something for you, but I need some info... I can't remember if the LOW stays grounded when the HI switch is turned on. Do you know? I'm thinking it doesn't... if that LOW/COMMON/HI connector is the 9007 bulb connector...
__________________
Is you is, or is you ain't, my con-stit-u-ints?
sperry is offline   Reply With Quote
Old 2007-02-21, 03:33 PM   #9
sperry
The Doink
 
sperry's Avatar
 
Real Name: Scott
Join Date: Nov 2002
Location: Portland, OR
Posts: 20,335
 
Car: '09 OBXT, '02 WRX, '96 Miata
Class: PDX/TT-6
 
The way out is through
Default

Also, one more question: does the shield solenoid draw much current? Seems to me that could run directly off the Hi-beam wiring w/o an issue, it seems silly to use a relay (which is itself a solenoid) to switch another solenoid.
__________________
Is you is, or is you ain't, my con-stit-u-ints?
sperry is offline   Reply With Quote
Old 2007-02-21, 03:35 PM   #10
Kevin M
EJ22T
 
Kevin M's Avatar
 
Join Date: Sep 2003
Location: Reno
Posts: 9,445
 
Car: '93/'01 GF6, mostly red
Class: 19 FP
Default

Quote:
Originally Posted by sperry View Post
I think I've got something for you, but I need some info... I can't remember if the LOW stays grounded when the HI switch is turned on. Do you know? I'm thinking it doesn't... if that LOW/COMMON/HI connector is the 9007 bulb connector...
With the rotating switch fully on and the stalk in middle position, only Low is grounded. Push it forward for Highs and only Highs are gorunded. Pull it back and it grounds both.

Also, GC/GM/GF used H4 (that's also called 9008 right?) bulbs for headlights. But I don't really need to have a diagram for that, I can figure it out with a meter. I just need to know the states of all three wires in all 3 switch positions, and I should have that right based on everything I've read. So while I may not have drawn the 3 prongs of the bulb in the correct positions, it's just for reference anyway.
__________________
FWD is the new AWD
Kevin M is offline   Reply With Quote
Old 2007-02-21, 03:53 PM   #11
Kevin M
EJ22T
 
Kevin M's Avatar
 
Join Date: Sep 2003
Location: Reno
Posts: 9,445
 
Car: '93/'01 GF6, mostly red
Class: 19 FP
Default

Quote:
Originally Posted by sperry View Post
Also, one more question: does the shield solenoid draw much current? Seems to me that could run directly off the Hi-beam wiring w/o an issue, it seems silly to use a relay (which is itself a solenoid) to switch another solenoid.
The solenoids are part of the high beam activation circuit. The relay they run through is the other switch for ground to activate the ballast relay. I doubt they take much current. The only difference at all between the high beam circuit and low beam circuit, at least as I intend it, is that the high beam circuit runs through the solenoids for the shields. The complication when I was trying to figure this out was keeping from having one of the hots activating the other circuit, if that makes any sense. If you reverse the positioning of the two activation relays you migth be able to see what I mean.
__________________
FWD is the new AWD
Kevin M is offline   Reply With Quote
Old 2007-02-21, 04:12 PM   #12
sperry
The Doink
 
sperry's Avatar
 
Real Name: Scott
Join Date: Nov 2002
Location: Portland, OR
Posts: 20,335
 
Car: '09 OBXT, '02 WRX, '96 Miata
Class: PDX/TT-6
 
The way out is through
Default

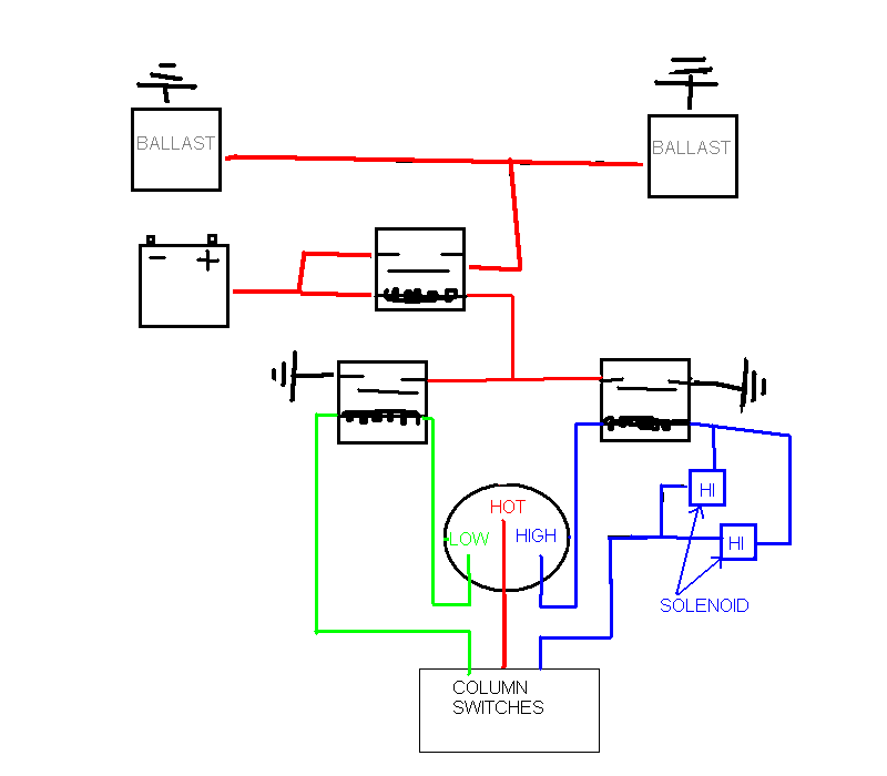
Alright... how's this look.

Everything is totally redundant and operates entirely at the headlight, with only 1 more relay than your original drawing. The only wire you'll need to run is a power line from the battery to each light, everything else can live right at the light itself (though I would recommend some high quality weather resistant relays).

As far as the way it works:

When the LOW is switched to ground, the ballasts get fused power from the battery. When the HI is switched to ground, the shield solenoids are activated, as well as the right hand relays, which in turn grounds the relays that are powering the ballasts.

If I remember correctly, when switching from low to hi, there is an intermittent state where both low and hi are grounded, so you shouldn't have any weird issues with cutting power to the ballasts. Nor should you have problems with hitting the high beam passing lights with the lows off (though I'm not sure that flash to pass with HIDs works at all since the ballast takes time to warm up...)
Attached Images
 
__________________
Is you is, or is you ain't, my con-stit-u-ints?
sperry is offline   Reply With Quote
Old 2007-02-21, 04:18 PM   #13
khail19
EJ205
 
Real Name: Khail
Join Date: Dec 2002
Location: Reno, NV
Posts: 1,769
 
Car: 2016 VW GTI
 
Meets? We have meets?
Default

I'm pretty sure HIDs should stay on all the time. It's not good for them to come on and off with the high beams.
khail19 is offline   Reply With Quote
Old 2007-02-21, 04:26 PM   #14
Kevin M
EJ22T
 
Kevin M's Avatar
 
Join Date: Sep 2003
Location: Reno
Posts: 9,445
 
Car: '93/'01 GF6, mostly red
Class: 19 FP
Default

Quote:
Originally Posted by sperry View Post
Alright... how's this look.

Everything is totally redundant and operates entirely at the headlight, with only 1 more relay than your original drawing. The only wire you'll need to run is a power line from the battery to each light, everything else can live right at the light itself (though I would recommend some high quality weather resistant relays).
Yeah, I am trying to find some male H4 connectors locally, and I'll bundle them up after the harness is built, definitely. As for relays, I'm using leftover Hella relays. Any easy ways to weather proof those without making it a pain to take them apart later?

Quote:
Originally Posted by sperry View Post
As far as the way it works:

When the LOW is switched to ground, the ballasts get fused power from the battery. When the HI is switched to ground, the shield solenoids are activated, as well as the right hand relays, which in turn grounds the relays that are powering the ballasts.
Exactly what I was going for, gracias.

Quote:
Originally Posted by sperry View Post
If I remember correctly, when switching from low to hi, there is an intermittent state where both low and hi are grounded, so you shouldn't have any weird issues with cutting power to the ballasts. Nor should you have problems with hitting the high beam passing lights with the lows off (though I'm not sure that flash to pass with HIDs works at all since the ballast takes time to warm up...)
It does momentarily turn off all grounds as you pull the switch from high to low or from low to FTP, but that's okay. I don't really even need it to be functional. The problem I was worried about was blowing a ballast at worst or a fuse at best if I were to accidentally hit FTP because I didn't have the hot circuits isolated well enough.

HIDs will light off instantly with a switch, but they have to warm up to be at the proper color. It takes mine about 2-5 secodns depending on weather.

Quote:
Originally Posted by khail19 View Post
I'm pretty sure HIDs should stay on all the time. It's not good for them to come on and off with the high beams.
Mine are Hella Gen 3 OEM-quality ballasts. I am not worried about flicking the switch on them occasionally. I'd have burned one out by now if they were that sensitive, 10 times over. I was worried about a voltage spike killing one if I built the harness wrong.
__________________
FWD is the new AWD
Kevin M is offline   Reply With Quote
Old 2007-02-21, 04:26 PM   #15
sperry
The Doink
 
sperry's Avatar
 
Real Name: Scott
Join Date: Nov 2002
Location: Portland, OR
Posts: 20,335
 
Car: '09 OBXT, '02 WRX, '96 Miata
Class: PDX/TT-6
 
The way out is through
Default

Quote:
Originally Posted by khail19 View Post
I'm pretty sure HIDs should stay on all the time. It's not good for them to come on and off with the high beams.
Is that in reference to my diagram? The way I have it laid out, the ballasts will maintain power the whole time the lights are switched on... they won't be turned off at all when you go from low to hi beams.
__________________
Is you is, or is you ain't, my con-stit-u-ints?
sperry is offline   Reply With Quote
Old 2007-02-21, 04:26 PM   #16
Kevin M
EJ22T
 
Kevin M's Avatar
 
Join Date: Sep 2003
Location: Reno
Posts: 9,445
 
Car: '93/'01 GF6, mostly red
Class: 19 FP
Default

Now on to my real problem- who wants to teach me how to make MS Paint docs that don't look like I drew them on the skreen wif krayon?
__________________
FWD is the new AWD
Kevin M is offline   Reply With Quote
Old 2007-02-21, 04:27 PM   #17
Kevin M
EJ22T
 
Kevin M's Avatar
 
Join Date: Sep 2003
Location: Reno
Posts: 9,445
 
Car: '93/'01 GF6, mostly red
Class: 19 FP
Default

Quote:
Originally Posted by sperry View Post
Is that in reference to my diagram? The way I have it laid out, the ballasts will maintain power the whole time the lights are switched on... they won't be turned off at all when you go from low to hi beams.
They might momentarily flicker when I switch between high or low, but that's okay.
__________________
FWD is the new AWD
Kevin M is offline   Reply With Quote
Old 2007-02-21, 04:32 PM   #18
sperry
The Doink
 
sperry's Avatar
 
Real Name: Scott
Join Date: Nov 2002
Location: Portland, OR
Posts: 20,335
 
Car: '09 OBXT, '02 WRX, '96 Miata
Class: PDX/TT-6
 
The way out is through
Default

Kevin, when I did a similar wiring harness for my EDM projectors, I ended up wrapping my relays in plastic bags and tape. It didn't really help all that much... I still had relays fail on me. Hell, I remember after one meet walking out to my car to find one headlight switch on because during dinner a relay failed open. Over the 4 years or so I've had my lights, I think I had 3 relay failures, all due to corrosion. So do what you can to seal 'em up, and use dielectric grease on all the connectors.

As far as the ballasts switching on and off... When I was testing my switch, I would turn the low beams on, then very slowly push the lever forward to turn on the hi beams. At the switch over point, *both* low and hi were grounded. If your car is the same as mine, you shouldn't have a problem w/ going from low to high. However, I'm not sure what happens when you FTP, or go low to FTP... the circuit could be interrupted, I never tested that.
__________________
Is you is, or is you ain't, my con-stit-u-ints?
sperry is offline   Reply With Quote
Old 2007-02-21, 04:43 PM   #19
Kevin M
EJ22T
 
Kevin M's Avatar
 
Join Date: Sep 2003
Location: Reno
Posts: 9,445
 
Car: '93/'01 GF6, mostly red
Class: 19 FP
Default

Yeah, I think relays occasionally fail simly because they are relays. I'll make sure to use dielectric grease, and I used waterproof tape to seal all of my temporary connectors on my original harness... which has like 3 times as many spade connectors as it needs because of reconfigs. As for switching, I might be able to get a momentary double-ground between highs only and lows only, but I am almost positive that the FTP has seperate grounds so that it works when the rotary switch is in any position.
__________________
FWD is the new AWD
Kevin M is offline   Reply With Quote
Old 2007-02-21, 04:55 PM   #20
sybir
The Don
 
sybir's Avatar
 
Real Name: Aaron
Join Date: Oct 2003
Location: Sacramento
Posts: 3,097
 
Car: '97 Legacy / '05 FXT
Class: low
Default

Quote:
Originally Posted by BAN SUVS View Post
Now on to my real problem- who wants to teach me how to make MS Paint docs that don't look like I drew them on the skreen wif krayon?

I can help.

__________________
Tact is for people who aren't witty enough to be sarcastic.
sybir is offline   Reply With Quote
Old 2007-02-22, 09:24 AM   #21
Kevin M
EJ22T
 
Kevin M's Avatar
 
Join Date: Sep 2003
Location: Reno
Posts: 9,445
 
Car: '93/'01 GF6, mostly red
Class: 19 FP
Default

So the harnesses are built. Hopefully I will have time to install and test them before the meet.

I took the redundancy a stepfurther and completely seperated the two sides by adding a second fused power to the ballasts.

Now on to trying to figure out where to mount the Supertones. Anybody interested in a FIAMM Freeway Blaster when I get them installed?
__________________
FWD is the new AWD
Kevin M is offline   Reply With Quote
Old 2007-02-22, 02:15 PM   #22
Dean
Seņor Cheap Bastarde
 
Dean's Avatar
 
Real Name: Dean
Join Date: May 2003
Location: $99 Tire Store
Posts: 9,294
 
Car: $.04 STI
Class: Fast,Cheap & Reliable=STI
 
Deal, did somebody say Deal? Oh, Dean, yeah that's me.
Default

Quote:
Originally Posted by BAN SUVS View Post
So the harnesses are built. Hopefully I will have time to install and test them before the meet.

I took the redundancy a stepfurther and completely seperated the two sides by adding a second fused power to the ballasts.

Now on to trying to figure out where to mount the Supertones. Anybody interested in a FIAMM Freeway Blaster when I get them installed?
Why are you dumping the Blaster in favor of the Supertones? I thought the blaster was a decent horn. Let me guess, they were in the box of parts with the clutch and other goodies you got a deal on back in your RS days.

I might be interested in the blaster. Low or High, or both? I have twin air horns with a mini air pump from an old Lancia I was going to wire up to replace the anemic STI horns.
__________________
I am a Commodore PET --- Now get off my lawn you kids...
Dean is offline   Reply With Quote
Old 2007-02-22, 02:43 PM   #23
Kevin M
EJ22T
 
Kevin M's Avatar
 
Join Date: Sep 2003
Location: Reno
Posts: 9,445
 
Car: '93/'01 GF6, mostly red
Class: 19 FP
Default

The Supertones are leftover from both RSuses. I may or may not have a FB, but it does say FIAMM on it. It's spiral cone shaped and a little smaller than one supertone. It's pretty decent but I don't think it's quite as loud as the Supertones, and it definitely doesn't have the resonance.
__________________
FWD is the new AWD

Last edited by Kevin M; 2007-02-22 at 03:15 PM.
Kevin M is offline   Reply With Quote
Old 2007-02-22, 05:44 PM   #24
Kevin M
EJ22T
 
Kevin M's Avatar
 
Join Date: Sep 2003
Location: Reno
Posts: 9,445
 
Car: '93/'01 GF6, mostly red
Class: 19 FP
Default

Quote:
Originally Posted by khail19 View Post
I'm pretty sure HIDs should stay on all the time. It's not good for them to come on and off with the high beams.
Khail, I've been havign a hard time finding the male H4 connectors I need to make ths plug-and-play. Do you have them in stock, before I order them from susqehanna?
__________________
FWD is the new AWD
Kevin M is offline   Reply With Quote
Old 2007-02-22, 10:08 PM   #25
khail19
EJ205
 
Real Name: Khail
Join Date: Dec 2002
Location: Reno, NV
Posts: 1,769
 
Car: 2016 VW GTI
 
Meets? We have meets?
Default

We don't carry the male connectors, just female ones.
khail19 is offline   Reply With Quote
Reply


Posting Rules
You may not post new threads
You may not post replies
You may not post attachments
You may not edit your posts

BB code is On
Smilies are On
[IMG] code is On
HTML code is Off

Forum Jump


All times are GMT -8. The time now is 03:44 PM.


Powered by vBulletin® Version 3.8.4
Copyright ©2000 - 2026, Jelsoft Enterprises Ltd.
All Content Copyright Subaru Enthusiasts Car Club of the Sierras unless otherwise noted.